Режим работы:
Пн-Пт: 9:00 - 18:00
О компании Доставка и оплата Клиенты Дилеры Статьи Контакты
Профиль
Войти
Телефон:
+7 495 926-24-31
Электронная почта:
info@comet-a.ru
Избранное
Нет товаров
Сравнение
Нет товаров
0
Корзина
Нет товаров

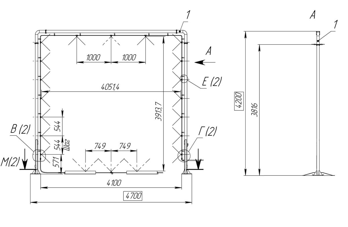
Автодезрама DEZ LP-О 4200х4700

Общие характеристики
Артикул
DEZ LP-О 4200х4700
В коробке
1
Габаритные размеры, мм
4292х4725
Вес, кг
150
Материал
Нержавеющая сталь AISI 304
Давление, бар
10
Производительность, л/мин
30
Описание товара
Автодезрама с внутренним проходным размером 4006х4544. Портал из нержавеющей трубы Ф40 мм с пластинами для крепления на ровном основании. По периметру портала 18 форсунок для распыления дезсредства на поверхность автомобиля. Два переката для дезинфекции днища автомобиля.
Кронштейн для крепления светового оповещения в верхней части портала.

В основную комплектацию входят:
•    Трубная рама О-образная;
•    Форсунки для нанесения дезсредства;
•    Перакаты (2шт);
•    Кронштейн для крепления светофора.
Посмотреть полное описание
Показать полностью Скрыть
ГлавнаяКаталогДезинфекционное и моечное оборудованиеДезинфекция автотранспортаАвтодезрама DEZ LP-О 4200х4700